Артикул358-955 / 358955
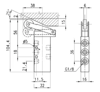
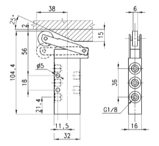
Монтажные размерыG 1/8 резьба; 32 х 16 х 104,4
Применяемость изделияСжатый воздух
Материал корпуса изделияалюминий
Страна производительИТАЛИЯ
Вес изделия (г)165
Купить Пневмораспределитель 358-955, производства Камоцци (Camozzi), вы можете в компании KSAMASTER (КСАМАСТЕР), оформив заказ в интернет магазине, отправив заявку по почте info@ksamaster.com, позвонив по телефону +7 (8552) 919-689 или в офисе компании
Расход воздуха = 700 Нл/мин
Рабочее давление = -0,9 : 10 Бар
Функция = 5 линии / 2 позиции, моностабильный
Тип управления = Роликовый рычаг
Документация товара находится на стадии разработки
Если вы являетесь юр. лицом, для выбора способа оплаты (с НДС или без НДС) выберите необходимый пункт в разделе оплата при оформлении заказа на странице «Корзина».
Вы можете оплатить заказ следующими способами оплаты: Оплата при самовывозе (в г. Набережные Челны), оплата банковской картой (VISA, MasterCard, МИР), оплата по расчетному счету с НДС, оплата по расчетному счету без НДС, а так же банковским переводом.
Доставка по городу Набережные Челны от 300 рублей (доставка осуществляется 1-2 дня)
Самовывоз бесплатно.
Доставка в другие регионы транспортной компанией или почтой России от 2 до 15 дней (за счет покупателя).
Lorem ipsum dolor sit amet consectetur adipisicing elit. Cum optio dolorum ad, laudantium eveniet repellat eos corrupti voluptatum cupiditate minima magni maiores dicta nobis blanditiis iste esse iusto saepe omnis.